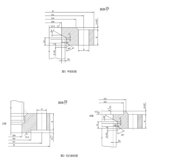
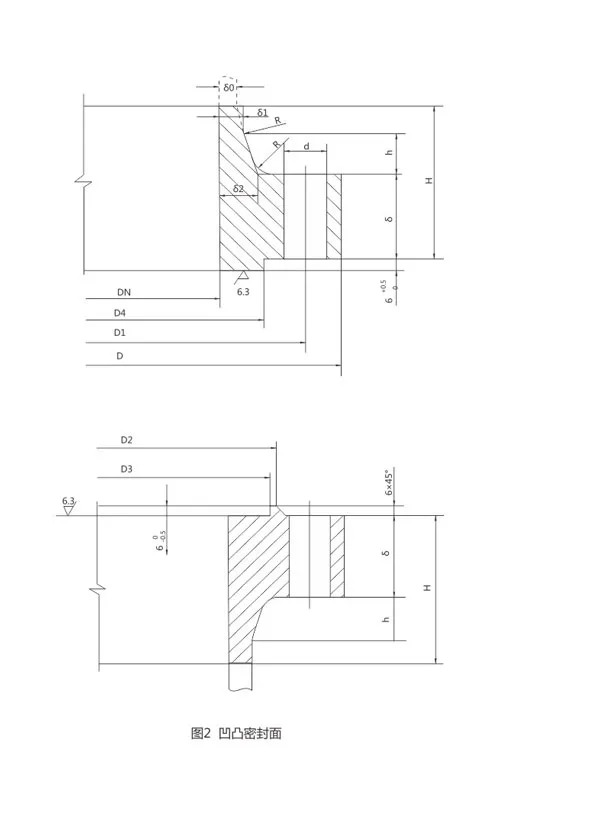
Naziv proizvoda : Prirubnica od nehrđajućeg čelika DIN, čelična cijev velikog promjera
Tip prirubnice za zavarivanje ploča (kemijski standardHG20592, nacionalni standardGB / T9119, mehanički
JB / T81): prikladna crtača, jednostavna izrada, niska cijena i široko se koristi; međutim, krutost. Prema vrsti priključka prirubnice, može se podijeliti na: plosnatu ravnu prirubnicu za zavarivanje, prirubnicu za zavarivanje na vratu, prirubnicu za zavarivanje vrata, prirubnicu za zavarivanje utičnice, navojna prirubnica, poklopac prirubnice, labava prirubnica za prsten za zavarivanje vrata, labava prirubnica prstena za zavarivanje, čelična prirubnica prstenastog utora i poklopac prirubnice, ravna prirubnica velikog promjera, prirubnica visokog promjera za naočare, labava prirubnica prstena za zavarivanje itd.




Koji su čimbenici koji utječu na rad velikih prirubnica
U proizvodnji velikih prirubnica postoji mnogo čimbenika koji utječu na rad velikih prirubnica. U nastavku ćemo govoriti o nekoliko uobičajenih čimbenika. Prva je temperatura žarenja (temperatura žarenja je temperaturni parametar kada se temeljni premaz i predložak kombiniraju. Kada se 50% početnog sloja i temperatura na kojoj se komplementarna sekvenca pojavljuje kao dvolančana molekula DNA. To je važniji faktor koji utječe na specifičnost PCR-a. U idealnom stanju, temperatura žarenja je dovoljno niska da osigura da se početnice efikasno žare na ciljani slijed, a istovremeno dovoljno visoka da smanji nespecifično vezanje. Razumna temperatura žarenja kreće se od 55 ° C do 70 ° C. Temperatura žarenja je obično postavljena za 5 ° C niža od temeljnog sloja Tm.
Hoće li se postići navedena temperatura Temperatura žarenja doseže potrebnu temperaturu. Za obradu velikih prirubnica općenito se prihvaća toplinska obrada otopinom, koja se naziva GG, žarenje GG, a raspon temperatura je 1040 ~ 1120 ° C (japanski standard). Također možete promatrati kroz promatračku rupu peći za žarenje. Priključci za velike prirubničke cijevi u zoni žarenja trebali bi biti u žarnom stanju, ali ne dolazi do omekšavanja ili opuštanja.
Druga je brtvljenje tijela peći (ljuska je zavarena čeličnom pločom i čeličnim profilom, a kolica zavarena čeličnom pločom i čeličnom pločom. Kolica smanjuju toplinsko zračenje i gubitke konvekcije mekim kontaktom s oblogom peći i pijeskom brtveni mehanizam i učinkovito jamči brtvljenje tijela peći.), peć za svijetlo žarenje treba zatvoriti i izolirati od vanjskog zraka; ako se vodik koristi kao zaštitni plin, otvoren je samo jedan ispušni otvor (služi za paljenje ispuštenog vodika). Način pregleda može se obrisati sapunastom vodom na spojevima peći za žarenje kako bi se utvrdilo je li bez plina; najlakše mjesto za ispuštanje je mjesto gdje peć za žarenje ulazi u cijev i mjesto izlaska cijevi. Brtveni prsten na ovom mjestu posebno je jednostavan za nošenje. Uvijek provjeravajte i mijenjajte često.
Drugi je pritisak zaštitnog plina. Kako bi se spriječilo mikro curenje, zaštitni plin u peći trebao bi održavati određeni pozitivni tlak. Ako se radi o zaštitnom plinu vodika, obično je potrebno da bude iznad 20 kBar. Atmosfera žarenja: Općenito se kao atmosfera žarenja koristi čisti vodik. Čistoća atmosfere je poželjno iznad 99,99%. Ako je drugi dio atmosfere inertni plin, čistoća također može biti niža, ali ne smije sadržavati previše kisika i vodene pare.


